Home   >  Supplier   >   Capitron Engineers & Consultants 

Product Profile


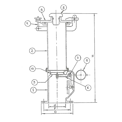
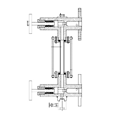
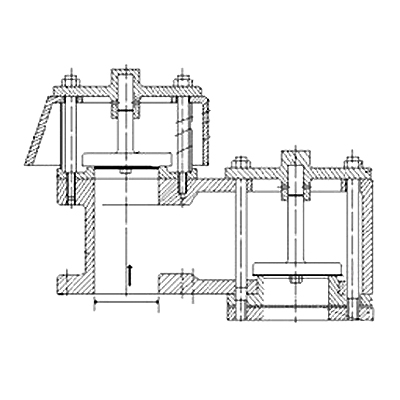
Industrial Tubular Level Indicator, Top Mounted Level Indicator, Float & Chord Level Indicator, Industrial Magnetic Level Indicator, Thermal Sensitive Breather Valve, Industrial Grade Flame Arrestor, Pressure/ Vacuum Relief Valve, High Pressure Safety Relief Valve, Wall Mounted Glass Manometer, Industrial Pressure Reducing Valve, Industrial Sight Flow Indicator, Pressure Gauge With Indicators, Industrial Y Type Strainer, Carbon Steel Swivel Joint, Industrial Slot Dipping Device

Contact Details


Address :
No. 606, Shanti Doot Co- Operative Housing Society, Behind Shell Colony,, Sahakar Nagar Road No -2, Chembur, Mumbai, Maharashtra, - 400071
Telephone No :
9920482868